电工如何接线 老电工总结的经典12例接线方法,建议收藏
老电工总结的经典12例接线方法,建议收藏
一、电动机接线
一般常用三相交流电动机接线架上都引出6个接线柱,当电动机铭牌上标为Y形接法时,D6、D4、D5相连接,D1~D3接电源;为△形接法时,D6与D1连接,D4与D2连接,D5与D3连接,然后D1~D3接电源。可参见图1所示连接方法连接。
图1 三相交流电动机Y形和△形接线方法
二、三相吹风机接线
有部分三相吹风机有6个接线端子,接线方法如图2所示。采用△形接法应接入220V三相交流电源,采用Y形接法应接入380V三相交流电源。一般3英寸、3.5英寸、4英寸、4.5英寸的型号按此法接。其他吹风机应按其铭牌上所标的接法连接。
图2 三相吹风机六个引出端子接线方法
三、单相电容运转电动机接线
单相电动机接线方法很多,如果不按要求接线,就会有烧坏电动机的可能。因此在接线时,一定要看清铭牌上注明的接线方法。
图247为IDD5032型单相电容运转电动机接线方法。其功率为60W,电容选用耐压500V、容量为4μF的产品。图3(a)为正转接线,图3(b)为反转接线。
图3 IDD5032型单相电容运转电动机接线方法
四、单相电容运转电动机接线
图4 JX07A-4型单相电容运转电动机接线方法
图4是JX07A-4型单相电容运转电动机接线方法。电动机功率为60W,用220V/50Hz交流电源、电流为0.5A。它的转速为每分钟1400转。电容选用耐压400~500V、容量8μF的产品。图4(a)为正转接线,图4(b)为反转接线。
五、单相吹风机接线
图5 单相吹风机四个引出端子接线方法
有的单相吹风机引出4个接线端子,接线方法如图5所示。采用并联接法应接入110V交流电源,采用串联接法应接入220V交流电源。
六、Y100LY系列电动机接线
目前,Y系列电动机被广泛应用。Y系列电动机具有体积小、外形美观、节电等优点。它的接线方式有两种:一种为△形,它的接线端子W2与U1相连,U2与V1相连,V2与W1相连,然后接电源;另一种为Y形,接线端子W2、U2、V2相连接,其余3个接线端子U1、V1、W1接电源。接线见图6。
图6 Y100LY系列电动机接线方法
七、低压变压器短路保护线路
目前,机床的工作灯、行灯都采用低压变压器提供36V安全电压,由于灯具在使用中经常移动,极易发生短路故障,造成熔断器熔断甚至烧坏变压器。如果使用36V小型中间继电器或36V交流接触器做变压器的通断开关,可避免烧坏变压器。线路如图7所示。
图7 低压变压器短路保护线路
工作原理: 闭合S后,按下按钮SB1,变压器得电输出36V低电压,使得继电器或交流接触器KA吸合。放松按钮SB1后,KA自锁触点使KA保持吸合,继续给变压器接通电源。如果变压器次级发生短路故障,继电器线圈电压为零,此时KA便失电释放,将变压器电源断开,保护变压器不被破坏。
八、速电动机2Y/2Y接线方法
图8所示是2Y/2Y电动机双速定子线组的引出线接线方法。按图8(a)连接是一种转速,按图8(b)连接得到另一种转速。
图8 双速电动机2Y/2Y接线方法
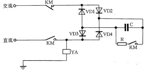
九、直流电磁铁快速退磁线路
直流电磁铁停电后,因有剩磁存在,有时会造成不良后果。因此,必须设法消除剩磁。图9中,YA是直流电磁铁线圈,KM是控制YA启停的接触器。KM吸合时,YA通电励磁;KM复位时,YA断直流电,并进行快速退磁。
快速退磁的工作原理是:直流电磁铁断电后,交流电源通过桥式整流器和YA向电容C充电,随着电容C两端电压的不断升高,充电电流越来越小,而通过YA的电流又是交变的,从而使电磁铁快速退磁。电容C的容量要根据电磁铁的实际情况现场试验决定。R为放电电阻。
图9 直流电磁铁快速退磁线路
十、缺辅助触点的交流接触器应急接线
当交流接触器的辅助触点损坏无法修复而又急需使用时,采用图12中所示的接线方法,可满足应急使用要求。按下SB1,交流接触器KM吸合。放松按钮SB1后,KM的触点兼作自锁触点,使接触器自锁,因此KM仍保持吸合。
图中SB2为停止按钮,在停止时,按动SB2的时间要长一点。否则,手松开按钮后,接触器又吸合,使电动机继续运行。这是因为电源电压虽被切断,但由于惯性的作用,电动机转子仍然转动,其定子绕组会产生感应电动势,一旦停止按钮很快复位,感应电动势直接加在接触器线圈上,使其再次吸合,电动机继续运转。接触器线圈电压为380V时,可按图12(a)所示接线;接触器线圈电压为220V时,可按图12(b)接线。图12(a)的接线还有缺陷,即在电动机停转时,其引出线及电动机带电,使维修不大安全。因此,这种线路只能在应急时采用,并在维修电动机时,应断开控制电动机的总电源开关QS,这一点应特别注意。
图12 缺辅助触点的交流接触器应急接线
十一、单相电容电动机线路
单相电容电动机启动转矩大,启动电流小,功率因数高,广泛应用于家用电器中,如电风扇、洗衣机。为了便于维修安装,现介绍这种电动机常用的接线方法。
图16(a)为可逆控制线路,操纵开关S2,可改变电动机的转向,该线路一般用于家用洗衣机上。
图16(b)为带辅助绕组的接线线路,拨动开关S,可改变辅助绕组的抽头,即改变主绕组的实际承受电压,从而改变电动机的转速,此接线方法常用于电风扇上。
图16(c)为带电抗器调速的电容电动机接线线路。由于电抗器绕组(其在线路中起到降压作用)的串入,调节电抗器绕组的串入量,即可改变转速。这种方法目前广泛应用在家用电风扇线路中。在启动电动机时一般先拨到“1”挡上,即为高挡,这时电抗器不接入线路,使电动机在全压下启动,然后再拨“2”挡或任何挡来调节电动机转速。
图16 单相电容电动机线路
十二、三相异步电动机改为单相运行线路
如果只有单相电源和三相异步电动机供使用,可采用并联电容的方法使三相异步电动机改为单相运行。
如图19所示:图(a)为Y形接法电动机连接方法,图(b)为△形接法电动机连接方法。为了提高启动转矩,将启动电容CQ在启动时接入线路中,在启动完毕后退出。
工作电容CG容量的计算公式:
CG=1950I/Ucosφ(μF)
式中: I为电动机额定电流;U为单相电源电压;cosφ为电动机的功率因数。当计算出工作电容后,启动电容选用工作电容的1~4倍。
图19 三相异步电动机改为单相运行线路
电工入门基础知识:一张张实物接线,不怕你学不会
朋友们大家好我是大俵哥,今天分享一些实物接线图,几个常用的灯控电路,还有几个电气入门必备的接线,需要的朋友保存备用。
了解更多电工实物接线图
#pgc-card .pgc-card-href { text-decoration: none; outline: none; display: block; width: 100%; height: 100%; } #pgc-card .pgc-card-href:hover { text-decoration: none; } /*pc 样式*/ .pgc-card { box-sizing: border-box; height: 164px; border: 1px solid #e8e8e8; position: relative; padding: 20px 94px 12px 180px; overflow: hidden; } .pgc-card::after { content: " "; display: block; border-left: 1px solid #e8e8e8; height: 120px; position: absolute; right: 76px; top: 20px; } .pgc-cover { position: absolute; width: 162px; height: 162px; top: 0; left: 0; background-size: cover; } .pgc-content { overflow: hidden; position: relative; top: 50%; -webkit-transform: translateY(-50%); transform: translateY(-50%); } .pgc-content-title { font-size: 18px; color: #222; line-height: 1; font-weight: bold; overflow: hidden; text-overflow: ellipsis; white-space: nowrap; } .pgc-content-desc { font-size: 14px; color: #444; overflow: hidden; text-overflow: ellipsis; padding-top: 9px; overflow: hidden; line-height: 1.2em; display: -webkit-inline-box; -webkit-line-clamp: 2; -webkit-box-orient: vertical; } .pgc-content-price { font-size: 22px; color: #f85959; padding-top: 18px; line-height: 1em; } .pgc-card-buy { width: 75px; position: absolute; right: 0; top: 50px; color: #406599; font-size: 14px; text-align: center; } .pgc-buy-text { padding-top: 10px; } .pgc-icon-buy { height: 23px; width: 20px; display: inline-block; background: url(https://lf6-cdn-tos.bytescm.com/obj/cdn-static-resource/pgc/v2/pgc_tpl/static/image/commodity_buy_f2b4d1a.png); } 全彩电路低压电气电路升级版零基础学习电工--我是大俵哥 ¥68 购买200多个实物接线图,为初学的朋友打开一扇门
相关问答
电工接电线接法?
1、接电线的时候,首先需要将电源切断,保证接线的安全。接下来将电线的绝缘层剥离一段距离,一般来说剥离3毫米左右足以。如果内部是铜芯线,要将其散开,而且将...
电工七种接线方法?
电工常见的七种接线方法包括:串联接线法:将电器或元件依次连接起来,电流只能依次通过每个电器或元件。并联接线法:将电器或元件并联连接,电流可分流经过每...
电工基础知识接线顺序?
电工基础知识中,接线顺序是非常重要的。在进行电气设备的安装和接线时,必须按照正确的顺序进行接线,以确保电路的安全和稳定运行。一般来说,接线顺序应该是...
电工接电线正确接法?
电工接电线的正确接法是非常重要的。正确接线可以确保电路的安全运行,避免短路、漏电等问题的发生。正确接线还可以保证电流的正常流动,确保设备的正常工作...
电工接线的方法?
电工接线有多种方法,要根据具体情况选择合适的方法比如在家用电器中,普遍使用的是接线端子或者插座来实现电路的接通接线时需要注意导线的直径、颜色、尺寸等...
电工知识:如何安全接线?
要安全接线,首先需要确保断电,使用绝缘工具,穿戴绝缘手套和鞋。接线前应仔细检查线路,确认接线正确无误。对于不同的电气设备,需要使用合适的接线方式,确保...
电工接线方法?
如果单股导线,剝去5~10公分绝缘皮,将铜丝在3分之2处相互反方向缠绕,用钢丝钳助力,缠得越紧越好,正反两方向缠5圈以上后剪去,再用绝缘胶带包上。多股的导线...
电工走线和接线方法?
电工接线方法有以下三种:1、剖削导线绝缘层。可用剥线钳或钢丝钳剥削导线的绝缘层,也可用电工刀剖削塑料硬线的绝缘层。用电工刀剖削塑料硬线绝缘层时,电工...
电工如何快速接线?
电工快速接线的关键是熟悉电路原理和接线方法,以及掌握高效的操作技巧。以下是一些提高电工接线速度的方法:1.熟悉电路原理:理解电路图和接线图,清楚每个部...
电工接线技巧?
1非常重要。2因为如果接线不正确,可能会导致电器损坏、电路短路、火灾等危险情况发生,所以电工需要熟练掌握接线技巧,确保安全可靠。3在进行电工接线时,需...




